Блог
Онлайн калькулятор на базе статьи про TDA2050
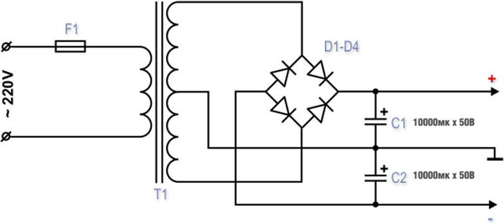
Калькулятор расчета блока питания усилителя B и AB класса
Никогда в жизни не было у меня мощного ноутбука или компьютера. Я-ш-админ – любую технику можно заставить быстро выполнить почти любую требуемую задачу. Но недавно появилась-таки острая потребность именно в быстром ноутбуке. Выбор пал на Lenovo – это же счастье… Если немного допилить. :)
Как сделать из Lenovo отличный ноутбук
Я и мой брат в детстве учились играть на шикарном экспортном варианте пианино “Беларусь”. Я еще тогда обратил внимание, что звучит оно значительно лучше, чем любая другая “Беларусь” и даже лучше многих более дорогих пианинок. Когда все выросли и родители затеяли ремонт в комнате, встал вопрос – куда его девать?
Опыт самостоятельной настройки пианино
Делюсь опытом организации слепого теста
Как правильно делать слепой тест
Это первый из трех запланированных мной переводов статей сайта circuitbasics.com. На сайте выложены очень интересные статьи про создание усилителей. Мне язык оригинала не мешает, но хотелось бы добавить в русскоязычные анналы истории эти замечательные статьи в противовес к надуванию щек на вегалабе и других сайтах.
Перевод. Руководство по созданию мостовых и стереоусилителей на базе TDA2003 (для начинающих)
Вторая из трех запланированных мной переводов статей сайта circuitbasics.com. Очень грамотно все разжевано и подано.
Перевод. Как спроектировать и собрать усилитель с TDA2050 (для продолжающих)
Когда наткнулся в интернете на сайт diyaudio.by – не смог не поучаствовать в общей закупке. Мануал будет для самых маленьких. Кому будет смешны какие-то детали – проходите мимо.
Усилитель Vidalgo/Mauro. Интриги, скандалы, расследования (часть 1)
Пока делал пробные запуски – отписывался людям о впечатлениях: "Реально – очень детальные верха (о чем писали на форумах). Очень крутая середина."
Усилитель Vidalgo/Mauro. Интриги, скандалы, расследования (часть 2)
Пара мыслей об усилителях и аудио-индустрии вцелом.
Зачем замерять усилители
Разбираемся, как правильно замерять любые усилители.
Как замерять усилители
После первого пробного своего собственного проекта акустической системы (т.е. колонок), я решил попробовать реализовать чужой интересный проект. Выбор пал на проект Алексея Александрова WTM813. И очень не зря.
Реализация проекта колонок WTM813 Алексея Александрова
subscribe via RSS